We remove the steering column switches for repair, as well as for removing the steering column.
The steering column switch consists of a connector fixed with a clamp on the steering shaft bracket and two switches
The left switch turns on the turn indicators and headlights, while the right switch controls the washer and windshield wipers.
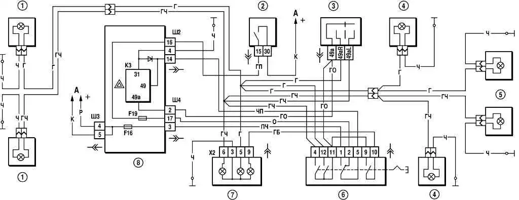
Scheme for switching on direction indicators and alarms: 1 - direction indicator lamps in headlights: 2 - ignition switch; 3 - turn signal switch; 4 - side direction indicators; 5 - turn signal lamps in the rear lights; 6 - alarm switch; 7 - instrument cluster with control lamps for direction indicators and alarms; 8 - mounting block; K3 - relay-breaker for direction indicators and alarm; A - to power supplies
The switches are clipped into the connector.
Switch lever positions are shown in fig. 2, and the contacts closed in this case are given in the table.
Bold lines show initial positions, thin lines show fixed positions, and dotted lines show non-fixed positions of the levers.
Contact closure at different positions of the stalk levers
Lever position - Closed contacts - Switched appliances
Left lever
- I - Turn indicators off
- II* - 49а–49аR - Right turn indicators
- III - 49а–49аR - Right turn indicators
- IV* - 49а–49аL - Left turn indicators
- V - 49а–49аL - Left turn indicators
- I - 56–56b - Low beam headlights (when outdoor lighting is on)
- VI* - 30–56a - Signaling high beam headlights
- VII - 56–56a - Main beam
Right Lever
- I - 53e–53 - Windshield wiper off
- II* - 53e–53 53a–j - Windshield wiper (intermittent operation)
- III - 53e–53 53a–j - Windshield wiper (intermittent operation)
- IV - 53a–53 - Windshield wiper speed 1
- V - 53a - 53b - Windshield wiper speed 2
- VI* - 53ah–W - Windshield washer
- VII - 53ah–53H - Rear window cleaner
- VIII* - 53ah–WH–53H - Rear window wiper and washer
* Non-fixed lever positions
Removing and installing steering column switches
Disconnect the negative battery terminal.

Using a Phillips screwdriver, unscrew the two screws securing the lower part of the casing to the steering column bracket

We unscrew the two screws connecting the lower and upper parts of the casing (the screws are installed in the recesses).

Use a Phillips screwdriver to unscrew the screw securing the casing to the steering column switch.

We turn off on each side one self-tapping screw connecting the lower and upper parts of the casing

Lowering the steering column adjustment knob, remove the lower part of the casing.

Remove the rubber ring from the ignition switch

Remove the upper part of the casing

Squeeze two clamps with your fingers

Remove the left stalk from the connector

Disconnect the wiring harness block from the switch
We also remove the right steering column switch.
To remove the switch connector you need to remove the steering wheel, then:

Press with a screwdriver on the retainer of the wiring harness of the instrument panel

Remove the wire block from the connector

Using an 8 key, we loosen the coupling bolt of the connector on the steering column housing (shown on the removed column).

Remove the connector

When installing the connector, make sure that the recess on the connector coincides with the protrusion on the steering column body
Install all parts in reverse order
