A feature of the ZMZ-40524 engine control system is:
- the use of a throttle module with an electric motor, which allows you to adjust the position of the throttle valve electronically to obtain the optimal mixture and the required characteristics of the flow of torque on the car;
- - the use of a drainless fuel line assembly with injectors with a working pressure in the line (400 ± 8 kPa), to reduce the evaporation of gasoline vapors.
- - use of individual ignition coils to reduce the level of interference;
- - implementation of the European on-board diagnostic system EOBD, which monitors the technical condition of the system components responsible for exceeding the limit values of harmful substances in the vehicle's exhaust gases.
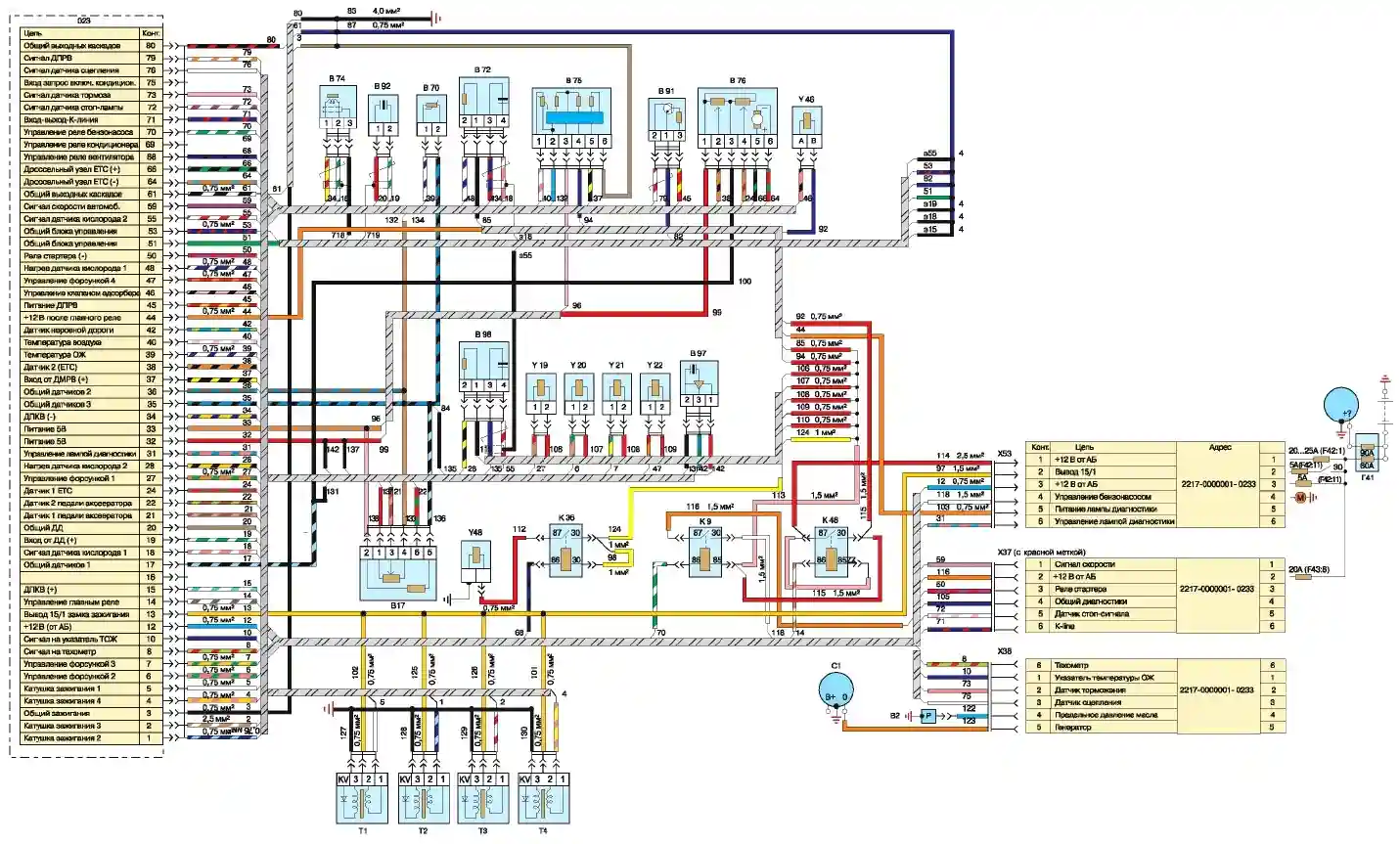
Electrical connection diagram of the engine control system ZMZ-40524 (rather voluminous, it is better to view it by opening it in another browser window or simply by clicking on the diagram).
Schemes of ZMZ-405 engine control systems may differ depending on which mass air flow sensor is installed.
Three types of sensors can be installed on the vehicle:
- - DMRV 0 280 212 014 f. "BOSCH" (Germany);
- - DMRV HFM62C/11 f. "Siemens" (Germany) or 20.3855;
- - DMRV HFM-4.7 0 280 218 037 f. "BOSCH" (Germany);

