Kontrolle der Bremsen
Installieren Sie das Auto auf einer Hebebühne oder einer horizontalen Fläche
Lösen Sie die Radmuttern
Wir heben das Auto mit einer Hebebühne oder einem Wagenheber an und entfernen das Rad von der zu prüfenden Seite
Durch ein spezielles Inspektionsloch prüfen wir die Dicke der Bremsbeläge.
Die Standarddicke der vorderen Bremsbeläge beträgt 11,0 mm, die maximal zulässige Dicke beträgt 2,0 mm
Die Standarddicke der hinteren Bremsbeläge beträgt 10,0 mm, die maximal zulässige Dicke beträgt 2,0 mm
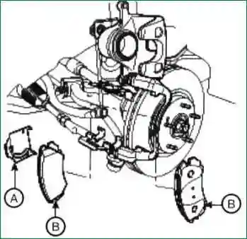
Vorderrad-Bremsklötze ausbauen

Lösen Sie den Führungsbolzen (B) und heben Sie den Bremssattel (A) an
Überprüfen der Schläuche und der Fingermanschette auf Beschädigung und Verschleiß

Belagdichtungen (A), Belaghalter (B) und Beläge (C) entfernen
Installation der Vorderradkeile

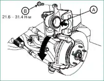
Die Belaghalterungen (A) am Bremssattel anbringen

Überprüfen Sie die Belagdichtungen (A) und die Rückseite der Beläge (B) auf Fremdkörper
Setzen Sie die Bremsbeläge (B) und die Belagdichtungen (A) korrekt auf die Halterung
Inneren Bremsbelag mit Verschleißanzeige einbauen
Wenn Beläge wiederverwendet werden, müssen sie wieder eingebaut werden, um einen Verlust der Bremsleistung zu vermeiden

Wir drücken mit dem Werkzeug 09581-11000 auf den Kolben (A), sodass sich der Bremssattel über den Belägen befindet
Stellen Sie sicher, dass sich die Kolbenmanschette in der richtigen Position befindet, um Schäden zu vermeiden, wenn sich der Bremssattel dreht

Wir bewegen den Bremssattel nach unten, wobei wir darauf achten, den Schuh des Fingers (A) nicht zu beschädigen, dann schrauben wir die Führungsschraube (B) ein und ziehen sie mit dem erforderlichen Drehmoment an
Falls der Bremssattel entfernt wurde, verbinden Sie den Bremsschlauch mit dem Bremssattel
Bremsflüssigkeit in den Ausgleichsbehälter des Hauptbremszylinders füllen
Entlüften des Bremssystems, Artikel - Entlüften des hydraulischen Bremssystems eines Kia Magentis-Autos
Nach dem Austausch der Bremse Beläge mit neuen, ist es möglich, den Hub des Bremspedals zu erhöhen. Daher ist es notwendig, das Bremspedal mehrmals zu treten, damit der Fahrweg wiederhergestellt wird
Überprüfen Sie nach dem Einbau und Anschluss der Schläuche das Bremssystem auf Bremsflüssigkeitslecks
Kontrolle der Bremsscheibe
Reinigen Sie die Bremsscheibe von Fremdkörpern
Mit einem Mikrometer messen wir die Dicke der Bremsscheibe an mindestens acht Punkten.

Die Standarddicke der Bremsscheibe beträgt 26,0 mm. Dickengrenze 24,4 mm
Die Dicke der Scheibe sollte 0,005 mm am Umfang und 0,01 mm am Radius nicht überschreiten
Wenn der Verschleiß der Scheibe die festgelegten Grenzen überschreitet, müssen Sie die Bremsscheibe auf beiden Seiten ersetzen
Bremsscheibenschlag prüfen
Installieren Sie die Messuhr so, dass ihre Nadel 5 mm vom Rand der Bremsscheibe entfernt ist
Indem wir die Scheibe von Hand drehen, messen wir den Rundlauf.

Der maximal zulässige Rundlaufwert der Bremsscheibe beträgt 0,04 mm oder weniger
Wenn der Schlag der Bremsscheibe den zulässigen Wert überschreitet, müssen Sie die Scheibe ersetzen
Wenn die Unrundheit die zulässige Unrundheit nicht überschreitet, aber dennoch auftritt, ist es notwendig, die Scheibe zu entfernen und neu anzuordnen und dann die Messungen zu wiederholen
Wenn das Schlagen der Scheibe nach der Neuanordnung nicht verschwindet, muss die Scheibe durch eine neue ersetzt werden

Wenn Sie die Scheibe von der Nabe entfernen müssen, müssen Sie die M8-Schraube (A) verwenden
