Датчики керування двигуном 1az-fe
Датчики системи керування двигуном передають інформацію електронному блоку керування, за якою ЕБУ розраховує параметри регулювання упорскування палива та керування кутом випередження запалювання
Датчик витрати повітря
Датчик витрати повітря вставного типу дозволяє частині повітря впуску протікати через область чутливого елемента.
Безпосередньо вимірює масу та витрату повітря на впуску, точність вимірювання покращена, а опір потоку повітря – зменшено.
Датчик витрат повітря має вбудований датчик температури повітря на впуску.
Датчик кута повороту колінчастого валу
Ротор синхронізації колінчастого валу має 34 зуби, 2 зуби – відсутні.
Датчик кута повороту колінчастого валу (див. рис. 2) виводить сигнали обертання колінчастого валу кожні 10°, зубці, що відсутні, використовуються для визначення верхньої мертвої точки.
Датчик положення розподільного валу
Датчик положення розподільного валу (мал. 3) встановлено зліва на головці блоку циліндрів.
Для визначення положення распредвала на роторі синхронізації є виступ, при проходженні якого поруч із датчиком за кожні 2 обороти колінчастого валу генерується 1 імпульс.
Датчик положення дросельної заслінки
Цей датчик перетворює кут відкриття дросельної заслінки в електричні сигнали з двома різними характеристиками та передає їх в електронний блок керування двигуна (рис. 4).
Один сигнал (VTA) лінійної зміни напруги у всьому діапазоні кута відкриття дросельної заслінки, інший – сигнал (VTA2) напруги зміщення.
Датчик положення педалі управління подачею палива
Цей датчик перетворює кут повороту педалі управління подачею палива в електричні сигнали з двома різними характеристиками та передає їх в електронний блок управління двигуна (рис. 5).
Один сигнал (VРA) лінійної зміни напруги у всьому діапазоні кута повороту педалі управління подачею палива, інший – сигнал (VРA2) напруги зміщення.
Система EFI електронна система упорскування палива
Система впорскування палива з електронним керуванням типу L повітря на впуску за допомогою датчика витрати повітря термоанемометричного типу.
Застосовується незалежна система упорскування (у якій паливо впорскується в кожний циліндр один раз за кожні два обороти колінчастого валу).
Крім того, при пуску двигуна використовується групове впорскування (паливо впорскується один раз на два циліндри за кожен оборот колінчастого валу).
Існує два режими роботи системи упорскування палива:
- a) синхронне впорскування, при якому базова тривалість упорскування коригується за сигналами датчиків так, щоб упорскування палива відбувалося завжди при певному положенні колінчастого валу;
- b) асинхронне упорскування, при якому впорскування палива здійснюється при виявленні запитів по сигналах датчиків незалежно від кута повороту колінчастого валу.
Крім того, для захисту двигуна та підвищення паливної економічності система виробляє відсічення палива, при якому впорскування палива тимчасово припиняється відповідно до умов руху.
Система ETCS-I (інтелектуальна система управління дросельною заслінкою з електроприводом)
У звичайному дросельному патрубку відкриття дросельної заслінки однозначно визначається зусиллям на педалі керування подачею палива.
Натомість, у системі ETCS-i електронний блок управління двигуна розраховує оптимальний кут відкриття дросельної заслінки, який відповідає умовам руху, і використовує електродвигун приводу дросельної заслінки, щоб керувати її відкриттям.
Трос та важіль приводу дросельної заслінки були видалені, а датчик положення встановлений на педалі управління подачею палива.
Електронний блок управління двигуна приводить в дію електродвигун приводу дросельної заслінки шляхом завдання цільового кута відкриття дросельної заслінки відповідно до режиму руху автомобіля.
Він керує дросельною заслінкою, щоб постійно підтримувати на певному рівні частоту обертання двигуна на холостому ході
Захист від ударних навантажень
Під час перемикання передач керування дросельною заслінкою синхронізується з роботою системи ECT (трансмісія з електронним керуванням), щоб зменшити ударні навантаження
Система автоматичного регулювання швидкості руху
Електронний блок управління двигуна з інтегрованим електронним блоком управління системи автоматичного регулювання швидкості руху безпосередньо приводить у дію дросельну заслінку для автоматичного регулювання швидкості руху
Система VVT-I (інтелектуальне управління фазами газорозподілу)
Система VVT-i призначена для керування розподільним валом приводу впускних клапанів у широкому діапазоні 50° (кутів повороту колінчастого валу)
Вона забезпечує момент відкриття або закриття клапана, який оптимально відповідає умовам роботи двигуна, здійснюючи, таким чином, підвищення крутного моменту у всіх діапазонах частоти обертання та паливної економічності та знижуючи викиди шкідливих речовин із відпрацьованими газами.
Фактичний момент відкриття або закриття впускного клапана визначається датчиком положення розподільного валу для постійного порівняння з цільовим моментом відкриття або закриття клапана та формування відповідного керуючого впливу.
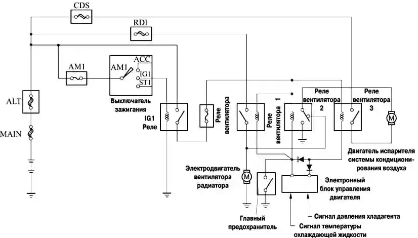
Керування вентилятором системи охолодження двигуна
На відміну від попередньої системи електричних вентиляторів, датчик-вимикач температури охолоджувальної рідини було видалено.
Натомість для керування електродвигуном вентилятора використовується датчик температури охолоджуючої рідини, що спростило систему.
Система керування вентилятором системи охолодження включає/вимикає 3 реле вентилятора відповідно до температури охолоджуючої рідини та режиму роботи системи кондиціювання повітря.
Коли вентилятори включені, два електродвигуни вентиляторів можуть працювати на низькій (послідовно) або високій (паралельно) швидкості.
