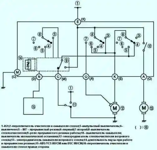
Система склоочисника вітрового скла складається з моторедуктора, важільного механізму, важелів склоочисників зі щітками та перемикача
Механізм склоочисника вітрового скла, обладнаний самозупинним пристроєм, складається з черв'ячного механізму та пластини з кулачком для тимчасової підтримки ланцюга у включеному стані до завершення циклу робочого ходу склоочисника при вимкненому положенні перемикача.
Склоочисники рухаються електродвигуном з постійним магнітом.
Склоочисник вітрового скла
Моторедуктор встановлений на щитку передньої панелі та з'єднаний з важільним механізмом склоочисника вітрового скла.
Склоочисники вітрового скла мають дві швидкості (LOW – низька та HIGH – висока) та переривчастий режим роботи.
Вимикач склоочисників – невід'ємна частина перемикача склоочисників та омивачів.
Склоочисники вітрового скла керуються важелем з правого боку кермової колонки.
Омивач вітрового скла
Система змивача вітрового скла складається з бачка, насоса, патрубків, сопел розпилювачів та перемикача склоочисника та омивача.
Бачок омивача вітрового скла встановлений усередині переднього правого крила.
Закріплений до бачка насос омивача подає рідину через патрубки до двох жиклерів, встановлених на капоті автомобіля.
Вимикач омивача – складова частина перемикача склоочисників та омивачів.
Омивачі вітрового скла керуються важелем з правого боку кермової колонки.
Функція паузи між ходами щіток склоочисника
Використовується система керування склоочисником вітрового скла, що враховує швидкість руху автомобіля, тобто пауза між ходами щіток склоочисника автоматично регулюється залежно від швидкості автомобіля.
Ця система зменшує потребу в регулюванні параметрів переривчастого режиму роботи.
Робота склоочисників
Коли вимикач склоочисника знаходиться в положенні INT, включається реле переривчастого режиму роботи склоочисника, і електричний струм подається на електродвигун склоочисника вітрового скла, який починає працювати на малій швидкості.
Залежно від сигналу швидкості автомобіля, що надходить від антиблокувальної системи гальм (DSC) HU/CM, реле управління переривчастим режимом роботи склоочисника працює таким чином:
a) при швидкості автомобіля 0 км/год:
- – максимальна тривалість паузи між робочими ходами 11,6 с;
- – мінімальна тривалість паузи між робочими ходами 4,2 с;
b) при швидкості автомобіля 30 км/год і більше:
- – максимальна тривалість паузи між робочими ходами 9,6 с;
- – мінімальна тривалість паузи між робочими ходами 1,1 с.
Перевірка технічного стану та діагностика несправностей
Послідовно включаємо різні режими роботи склоочисника (змочуємо скло водою хоча б за допомогою склоомивача):
- - у переривчастому режимі щітки роблять по одному помаху за кілька секунд;
- - на першій швидкості щітки рухаються постійно без пауз;
- - на вторій швидкості щітки рухаються постійно, але швидше, ніж першої швидкості;
- - при включенні склоомивача щітки роблять кілька помахів
Під час руху по склу щітки не повинні скрегіт і вібрувати, залишати неочищені ділянки в зоні очищення.
Якщо трапляються такі несправності, щітки необхідно замінити
Піднімаємо по черзі важелі всіх склоочисників. Вони повинні із зусиллям підніматися та надійно притискатися до скла. Якщо важіль важко піднімається та під дією пружини не притискається до скла, важіль необхідно замінити
Діагностика несправностей
Для роботи знадобиться тестер
Не працює (у всіх режимах) склоочисник
- - Перевіряємо запобіжник переднього склоочисника. За потреби замінюємо його. Включаємо запалювання та перевіряємо роботу склоочисника. Якщо запобіжник знову перегорає, то в електропроводці коротке замикання, яке необхідно знайти та усунути.
- - Від'єднуємо колодку джгута дротів від мотор-редуктора.

- - Тестером у режимі омметра перевіряємо наявність ланцюга між виведенням (D) та «масою» автомобіля.
Якщо тестер показує розрив ланцюга (опір нескінченно великий), перевіряємо електричний ланцюг від точки з'єднання з «масою» (під блоком запобіжників) і до мотор-редуктора.
Тестером у режимі вольтметра перевіряємо наявність напруги між висновками (B) і (D) (при включеному запалюванні та включеній першій швидкості роботи переднього склоочисника) та висновками (A) та (D) (при включеному запаленні та включеній другій швидкості роботи склоочисника ). Напруга в обох випадках має бути близько 12 вольт. Якщо напруга є, перевіряємо мотор-редуктор. Несправний мотор-редуктор замінюємо.
- - Перевіряємо правий підрульовий перемикач. Несправний перемикач замінюємо.
- - Перевіряємо електричний ланцюг від монтажного блоку запобіжників до мотор-редуктора склоочисника.
- - Якщо ланцюг справний, значить, несправний блок запобіжників у салоні автомобіля, і його необхідно замінити
Всі швидкості та режими працюють, але щітки мимоволі зупиняються в різних положеннях
- - Від'єднуємо колодки дротів від мотор-редуктора. Перевіряємо на наявність оксидів та за необхідності очищаємо його спеціальним очищувачем
- - Перевіряємо мотор-редуктор
Не працює один із режимів роботи склоочисника
- - Перевіряємо правий підрульовий перемикач. Несправний перемикач замінюємо.
- - Перевіряємо мотор-редуктор
- - Перевіряємо електропроводку ланцюга склоочисника
- - Якщо ланцюг справний, значить, несправний блок запобіжників у салоні автомобіля, і його потрібно замінити
