Передний сальник меняют из-за износа, который выявляется появлением потеков масла. Нужно обязательно менять этот сальник, так как масло, попадая на ремень привода генератора, разрушает его

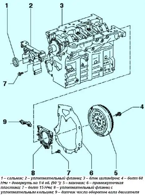
Рис. 1. Уплотнительный фланец и маховик
Снятие
Снимите поликлиновой ремень.
Снимите зубчатый ремень.

Рис. 2. Фиксация звездочки коленвала
Снимите зубчатую шестерню коленвала.
Зафиксируйте зубчатую шестерню с помощью контропоры (рис. 2)
Прикрутите к направляющей съемника сальника центральный болт от руки до упора в коленчатый вал.
Выкрутите внутреннюю часть съемника сальника двумя оборотами (около 3 мм) из внешней части и зафиксируйте болтом с накаткой.
Смажьте резьбовую головку съемника сальника.

Рис. 3. Поворачивание внутренней части съемника
Вкрутите съемник, сильно надавив на него, как можно глубже в сальник (рис. 3)
Ослабьте болт с накаткой и поворачивать внутреннюю часть съемника против коленвала, пока сальник не будет извлечен
Установка
Удалите остатки масла на шатунной шейке коленчатого вала с помощью чистой ветоши.
Рабочую кромку уплотнительного сальника дополнительно не нужно смазывать.

Рис. 4. Установка направляющей втулки
Установите направляющую втулку на шейку коленвала (рис. 4)
Задвиньте сальник через направляющую втулку на шейку коленвала.

Рис. 5. Запрессовка сальника
Запрессуйте сальник с помощью монтажной втулки и центрального болта до упора (рис. 5)
Снимите шестерню коленвала. Для этого зафиксируйте шестерню с помощью контропоры (рис. 2)
Затяните центральный болт с моментом 120 Нм + довернуть на 1/4 об. (90°) (дополнительная затяжка может выполняться в несколько этапов).
Резьба и буртик не должны иметь следов смазки.
Установите зубчатый ремень.
Установите поликлиновой ремень.
