Главный блок предохранителей находится в багажнике, за нишей левого колеса над АКБ.
Снятие
Снимите пиротехнический разъединитель.

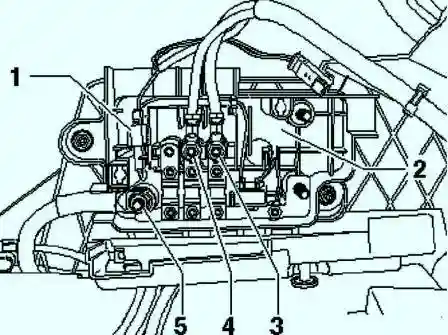
Рис. 1. Крепежные гайки главного блока предохранителей
Открутите крепежные гайки 3, 4 и 5 и снимите провода с соединительной резьбы (рис. 1).
Извлеките штекерный разъем 1 из его фиксатора в главном блоке предохранителей.

Рис. 2. Отсоединение штекерного разъема
Потяните кнопку блокировки 1 в направлении стрелки наружу и отсоедините штекерный разъем 2 (рис. 2).

Рис. 3. Извлечение главного блока предохранителей
Выкрутите два крепежных винта и извлеките главный блок предохранителей 1 из автомобиля (рис. 3).
Установка осуществляется в обратной последовательности, при этом необходимо учитывать следующее. Затяните все резьбовые соединения предписанным моментом затяжки
