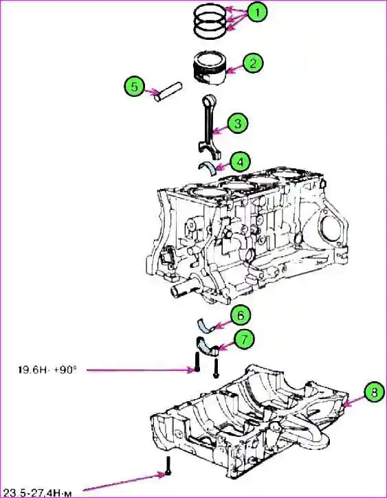
Зняття та розбирання блоку циліндрів
За замовчуванням у нас вже головка блоку циліндрів знята
Вказівки щодо зняття головки ми розглянули у статті «Зняття та встановлення головки блоку циліндрів Kia magentis».
Зняти маховик (автомобілі з МКП).
Зняти провідну пластину (автомобілі з АКП).
Вийняти двигун у збиранні з коробкою передач і встановити на спеціальний стенд.
Зняти приводний ремінь ГРМ.
Вказівки щодо зняття та встановлення ременя ГРМ ми розглянули у статті «Привід ГРМ Kia magentis у двигуні об'ємом 2,0 л. - G4KD та 2,4 л. – G4KE»
Зняти головку блоку циліндрів

Від'єднати компресор кондиціонера від двигуна (А)

Зняти з двигуна генератор (А).

Зняти насос гідропідсилювача та кронштейн

Зняти кронштейн кріплення натягувача у зборі (А)

Зняти масляний щуп у зборі (А)

Зняти датчик детонації (А).

Зняти датчик тиску олії (А)

Зняти датчик положення колінчастого валу (А)
Зняти водяний насос.
Зняти модуль врівноважуючого валу.

Зняти картер (А).
Перевірити осьовий зазор шатуна.
Зняти кришку шатуна та перевірити масляний зазор.
Зняти поршень та шатун у зборі.
Використовувати спеціальний пристрій, зняти сажу з верхньої поверхні циліндра.
Натиснути на поршень, шатун та верхню вкладку підшипника шатуна через верхню поверхню блоку циліндрів.
- - Тримати разом вкладиші, шатун та кришку.
- - Розташувати поршень і шатун у правильному порядку.
Зняти кришку підшипника колінчастого вала і перевірити масляний зазор.
Перевірити осьовий зазор колінчастого валу.

Підняти колінчастий вал з двигуна, не пошкодивши шийки валу.
Розташувати корінні та завзяті підшипники в потрібному порядку.
Перевірити посадку між поршнем та пальцем.
Спробуйте рухати поршень на пальці вперед і назад. Якщо переміщення неможливе, замініть поршень і палець.
Зняти поршневі кільця.
- - Використовуючи розширювач для кілець, зняти 2 компресійні кільця.
- - Зняти вручну 2 бічні напрямні та прокладку.
Розташувати поршневі кільця по порядку
Від'єднати шатун від поршня.
Перевірка технічного стану блоку та деталей блоку циліндрів
Шатуни та колінчастий вал
Перевірити осьовий зазор шатуна. Використовуючи набір щупів, виміряти осьовий зазор, переміщуючи шатун вперед/назад.

Стандартна величина зазору: 0,1 - 0,25 мм.
Вельми допустима величина: 0,35 мм.
Якщо осьовий зазор шатуна перевищує гранично допустиму норму, необхідно замінити його новим.
Якщо після встановлення нового шатуна осьовий зазор перевищує гранично допустиму норму, необхідно замінити колінчастий вал у зборі.
Виміряти зазор у підшипниках шатунних шийок колінчастого валу.
Нанести мітки на шатун і шатунну кришку для правильної установки.
Відвернути дві гайки кріплення шатунної кришки.
Зняти шатунну кришку разом із вкладишем підшипника.
Очистити та промити вкладку та шатунну шийку колінчастого валу.
- Покласти спеціальний пластиковий калібр на шатунну шийку, вздовж осі коленвала.
Встановити шатунну кришку та затягнути болти кріплення моментом затягування 19,6 Нм + 90˚.
Не провертати колінчастий вал.
Відвернути гайки кріплення та зняти кришку шатуна.

Виміряти товщину пластикового калібру (шкала додається до набору). Стандартна величина зазору у підшипниках: 0,025 – 0,043 мм.
Якщо пластиковий калібр після зняття занадто широкий або занадто тонкий, необхідно витягти верхню вкладку і встановити новий.
Потім повторити вимір зазору в підшипнику. Підбирати вкладку необхідно за кольором маркування.
Не підкладати шайбу та не дряпати поверхню вкладиша для регулювання зазору.
- Якщо зазор у підшипнику, як і раніше, занадто великий або малий, необхідно встановити наступний вкладиш і повторити вимірювання.
|
Розміри шатуна |
||
|---|---|---|
|
Клас |
Мітка |
Розмір, мм |
|
- а |
А |
51,00 ~ 51,006 |
|
- а |
В |
51,006 ~ 51,012 |
|
- з |
С |
51,012 ~ 51,018 |
Якщо підбором вкладишів зазор у підшипниках відрегулювати неможливо, необхідно замінити колінчастий вал у зборі та повторити регулювання.
Якщо на вкладиші з-за нагару не видно ідентифікаційної мітки, необхідно його промити в розчиннику.
Забороняється чистити вкладку скребком або металевою щіткою.
Нижче вказано розташування ідентифікаційної мітки шатуна.

Читати порядок розташування міток згідно зі стрілкою на малюнку

|
Розміри колінчастого валу |
||
|---|---|---|
|
Клас |
№ мітки |
Зовнішній діаметр шийки, мм |
|
I |
1 |
47, 966 ~ 47, 972 |
|
II |
2 |
47,960 ~ 47,966 |
|
III |
3 |
47,954 ~ 47,960 |

Розміри вкладки
|
Клас |
Колір мітки |
Товщина вкладиша, мм |
|---|---|---|
|
АА |
Синій |
1,517 ~ 1,520 |
|
А |
Чорний |
1,514 ~ 1,517 |
|
В |
Відсутня |
1,511 ~ 1,514 |
|
С |
Зелений |
1,508 ~ 1,511 |
|
D |
Жовтий |
1,505 ~ 1,508 |
Виміряти зазор у підшипниках колінчастого валу, для цього:
- Відвернути болти кріплення та зняти кришки корінних опор разом із вкладишами підшипників.
Очистити всі корінні опори та вкладки підшипників.
Укласти на кожну корінну шийку до стрічкового валу спеціальний пластиковий калібр.
Встановити всі кришки корінних опор та затягнути болти кріплення з моментом затягування 29,4 Нм + 120˚
Не провертати колінчастий вал
Знову зняти кришку та підшипник, виміряти товщину пластикового калібру (шкала додається до набору).
Стандартна величина: 0,025 – 0,043 мм.
Якщо величина вимірювань занадто велика або маленька:
Зняти верхню половину підшипника, встановити нову;
Підібрати за кольором мітки підшипник;
Перевірити зазор.
Не шліфуйте та не дряпайте підшипники або кришки, щоб відрегулювати зазор.
Якщо прилад показує, що зазор ще не стандартний, спробуйте встановити більший або менший підшипник і перевірте зазор знову.
Якщо підбором вкладишів зазор у підшипниках відрегулювати неможливо, необхідно замінити колінчастий вал у зборі та повторити регулювання.
Якщо на вкладиші через нагар не видно ідентифікаційної мітки, необхідно його промити в розчиннику.
Забороняється чистити вкладку скребком або металевою щіткою.
При установці переконайтеся, що номер, вказаний на шатуні та його кришці, відповідає номеру циліндра.
Під час встановлення нового шатуна переконайтеся, що виступи для фіксації вкладки збігаються з вибірками на вкладці.
Замінити шатун у зборі при пошкодженні його бічної поверхні.
Також замінити шатун, при підвищеному зносі його робочих частин.
Використовуючи спеціальне обладнання, виміряти вигин та скручування шатуна.
Допустима величина вигину шатуна 0.05 мм / 100 мм і менше.
Допустима величина скручування шатуна 0.1 мм / 100 мм і менше.
При перевищенні допустимих величин вигину та скручування необхідно замінити шатун у зборі
|
Підбір вкладок |
||
|---|---|---|
|
Мітка колінвала |
Мітка шатуна |
Клас вкладиша |
|
I (1) |
- а (А) |
D (жовтий) |
|
- в (В) |
З (зелений) |
|
|
- з (С) |
В (відсутня) |
|
|
II (2) |
- а (А) |
З (зелений) |
|
- в (В) |
В (відсутня) |
|
|
- з (С) |
А (чорний) |
|
|
III (3) |
- а (А) |
В (відсутня) |
|
- в (В) |
А (чорний) |
|
|
- з (С) |
АА (синій) |
|
Розташування міток, що характеризують внутрішній діаметр корінних опор колінчастого валу:

|
Блок циліндрів |
||
|---|---|---|
|
Клас |
Мітка |
Внутрішній діаметр корінних опор колінвалу, мм |
|
- а |
А |
56,000 ~ 56,006 |
|
- в |
В |
56,006 ~ 56,012 |
|
- з |
С |
56,012 ~ 56,018 |
Розміри колінчастого валу (корінні шийки)

Розташування міток на колінчастому валу

Розташування ідентифікаційних міток на вкладці корінної опори
|
Розміри колінвала (корінні шийки) |
||
|---|---|---|
|
Клас |
Колір мітки |
Зовнішній діаметр корінної шийки, мм |
|
I |
Жовтий |
54,956 ~ 54,962 |
|
II |
Відсутня |
54,950 ~ 54,956 |
|
II |
Білий |
54,944 ~ 54,950 |
|
Розміри вкладок корінних опор |
||
|---|---|---|
|
Клас |
Колір мітки |
Товщина вкладиша, мм |
|
АА |
Синій |
2,026 ~ 2,029 |
|
А |
Чорний |
2,023 ~ 2,026 |
|
В |
Відсутня |
2,020 ~ 2,023 |
|
С |
Зелений |
2,017 ~ 2,020 |
|
D |
Жовтий |
2,014 ~ 2,017 |
|
Підбір вкладок корінних опор |
||
|---|---|---|
|
Мітки колінвалу |
Мітки отворів |
Складальна класифікація вкладиша підшипника |
|
I (жовтий) |
- а (А) |
D (жовтий) |
|
|
- в (В) |
З (зелений) |
|
|
-з (С) |
В (відсутня) |
|
II (відсутня) |
- а (А) |
З (зелений) |
|
|
- в (В) |
В (відсутня) |
|
|
- з (С) |
А (чорний) |
|
III (білий) |
- а (А) |
В (відсутня) |
|
|
- в (В) |
А (чорний) |
|
|
- з (С) |
АА (синій) |
Перевірити осьовий зазор колінчастого валу.
Викор використовуючи індикатор годинного типу, виміряти осьовий зазор коленвала, переміщуючи його викруткою вперед/назад.
Стандартна величина осьового зазору: 006 – 0.26 Мм. Максимальна величина: 0.30 мм.

Якщо величина осьового зазору перевищує допустиму межу, необхідно замінити упорні підшипники.
Товщина завзятих підшипників: 1.925 - 1.965 мм.
Використовуючи мікрометр, виміряти зовнішній діаметр корінних і шатунних шийок колінчастого валу. Діаметр корінних шийок колінчастого валу: 51.942 - 51.960 мм.
Діаметр шатунних шийок колінчастого валу: 47.954 - 47.972 мм.

Вимір проводити в двох взаємно перпендикулярних площинах, як показано на малюнку 10
