Антиблокировочная система ограничивает давление, создаваемое в гидравлическом приводе тормозов, так, чтобы величина скольжения была оптимальной
Действие этой системы должно быть раздельным для каждого колеса.
Система должна немедленно отвечать на каждое изменение поверхности (коэффициента сцепления) и нагрузки на автомобиль.
Антиблокировочная система препятствует блокировке колес при резком торможении, благодаря чему уменьшается тормозной путь.
Сила сцепления между колесами и дорогой в этом случае больше, если при торможении продолжают вращаться колеса.
Даже при полном торможении автомобиль остается управляемым.
Датчики частоты вращения, по одному на каждом колесе, измеряют частоту вращения колеса.
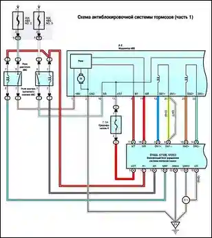
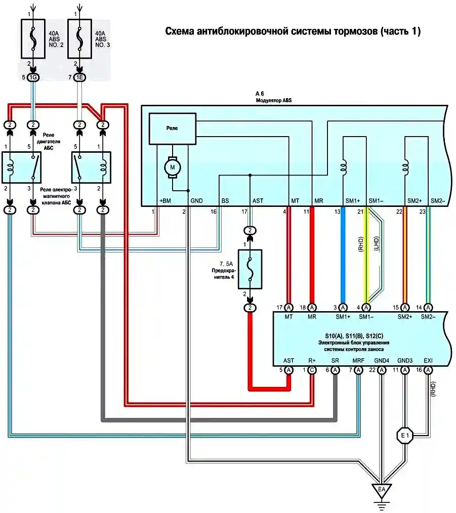
Часть 1
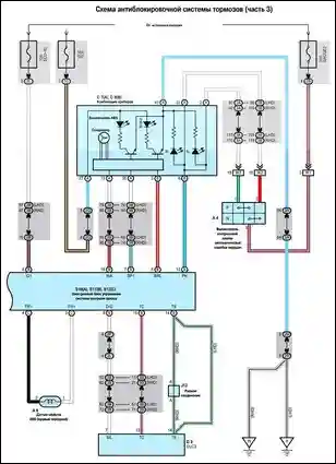
Часть 2
Схема для лучшей картинки разбита по частям.
Увеличить схему можно кликнув по ней или открыть в другом окне браузера



