На автомобили KIA Магентис, оснащенные механической коробкой передач, устанавливают сухое однодисковое сцепление с центральной диафрагменной пружиной
Сцепление расположено между двигателем и коробкой передач и предназначено для разъединения и соединения маховика, расположенного на коленчатом валу двигателя, и первичного вала коробки передач.
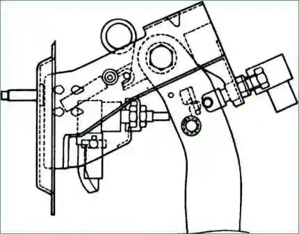
Сцепление состоит из ведомого (фрикционного) диска, кожуха сцепления с нажимным диском и диафрагменной пружиной, а также механизма выключения сцепления.
Нажимной диск смонтирован в стальном штампованном кожухе, прикрепленном шестью болтами к маховику двигателя.
Ведомый диск установлен на шлицах первичного вала коробки передач и зажат диафрагменной пружиной между маховиком и нажимным диском.
Подшипник выключения сцепления установлен на направляющей втулке, запрессованной в картер сцепления, и перемещается по втулке вилкой, которую в свою очередь приводит в действие рабочий цилиндр гидропривода выключения сцепления.
Гидравлический привод выключения сцепления включает в себя следующее:
- - главный цилиндр выключения сцепления, установленный в моторном отсеке на щите передка;
- - рабочий цилиндр, расположенный на картере коробки передач;
- - трубопровод, состоящий из трубки и промежуточного шланга, соединяющих главный цилиндр с рабочим цилиндром;
- - педаль сцепления, кронштейн которой прикреплен к кузову. В исходное положение педаль возвращается пружиной
Главный цилиндр соединен шлангом с бачком, установленным на главном тормозном цилиндре (бачок общий для обоих главных цилиндров).
В гидроприводе выключения сцепления используется тормозная жидкость. Предусмотрена регулировка привода выключения сцепления в эксплуатации.
Технические данные
Привод сцепления - Гидравлический
Диаметр фрикционных накладок (внешний х внутренний), мм 225х150 (2,5 л); 215х145 (2,0 л)
Установочная нагрузка кожуха сцепления, Н 4500–4900 (2,0 л); 5400–5800 (2,5 л)
Внутренний диаметр главного цилиндра, мм 20,64
Внутренний диаметр рабочего цилиндра, мм 15,87
Регулировочные данные
Толщина диска сцепления, мм 8,3 –8,9 (2,5 л); 8,2 –8,8 (2,0 л)
Высота установки педали сцепления, мм 180,5±0,3
Свободный ход педали сцепления, мм 6–13
Ход педали сцепления, мм 150
Минимально допустимое расстояние до головок заклепок при предельном износе фрикционных накладок диска сцепления, мм 0,3
Различие высоты концов диафрагменной пружины, мм 0,5
Зазор между поршнем и рабочим цилиндром сцепления, мм 0,15
Зазор между поршнем и главным цилиндром сцепления, мм 0,15
Рекомендуемые смазки
Элементы - Смазка
Контактная поверхность подшипника выключения сцепления и опоры вилки выключения сцепления - CASMOLY L 9508
Внутренняя поверхность подшипника выключения сцепления - CASMOLY L 9508
Внутренняя поверхность цилиндра выключения сцепления, поршень и манжеты - Тормозная жидкость DOT 3
Шлицы диска сцепления - CASMOLY L 9508
Внутренняя поверхность главного цилиндра выключения сцепления, поршень и манжеты - Тормозная жидкость DOT 3
Толкатель главного цилиндра сцепления, штифт с головкой и отверстием под шплинт и шайба - SAE J310a, NLGI №2
Вал педали сцепления и втулки - SAE J310a, NLGI №1
Вилка выключения сцепления - CASMOLY L 9508
Шлицы первичного вала коробки передач - CASMOLY L 9508
Моменты затяжки, Нм
Кронштейн педали сцепления 25–35
Болт крепления главного цилиндра сцепления 8–12
Соединительные гайки крепления трубы сцепления 12–16
Болт крепления цилиндра выключения сцепления 15–22
Болт крепления соединения цилиндра выключения сцепления 25
Кожух сцепления (2,0 л) 15–22
Кожух сцепления (2,5 л) 20–27
Контргайка толкателя главного цилиндра сцепления 10–15
Бачок главного цилиндра сцепления 8–10
Выключатель блокировки зажигания 8–10
Прокачка гидравлической системы привода сцепления
Во время удаления воздуха добавляйте только чистую жидкость, рекомендуемую изготовителем.
Не смешивайте тормозные жидкости различных марок.
Тормозная жидкость: SAE J1703 (DOT 3)
Жидкость, используемая в гидравлическом приводе, растворяет краску и пластмассу, поэтому при попадании жидкости на лакокрасочное покрытие автомобиля промойте его большим количеством воды.
Ослабьте штуцер прокачки в цилиндре выключения сцепления и присоедините к нему шланг.
Расположите другой конец шланга в стеклянной емкости достаточного объема.
Медленно нажмите педаль сцепления.
При нажатой педали сцепления ослабьте штуцер прокачки и выпустите воздух из гидравлической системы.
Затяните штуцер прокачки и отпустите педаль сцепления.
Повторяйте операции до тех пор, пока не будет выходить тормозная жидкость без пузырьков воздуха.
Быстрое повторное нажатие педали сцепления в области (B – C) может привести к выходу толкателя из корпуса цилиндра сцепления во время прокачки.
Нажимать педаль сцепления необходимо только после ее возврата в верхнее положение (А).
Регулировка педали сцепления
Измерьте расстояние от передней поверхности педали до коврового покрытия.
Рукой нажмите педаль сцепления до появления ощутимого сопротивления и измерьте величину свободного хода.
Свободный ход педали сцепления (А): 1–3 мм
Если свободный ход педали сцепления не соответствует требуемому значению, отрегулируйте его.
Ослабьте контргайку и, вращая болт, отрегулируйте свободный ход педали сцепления, затем затяните контргайку.
После регулировки затяните болт, пока он не достигнет упора педали, затем затяните контргайку.
Вращайте толкатель до достижения требуемого свободного хода, затем затяните контргайку.
При регулировке высоты установки или свободного хода педали сцепления будьте осторожны, чтобы не переместить толкатель к главному цилиндру сцепления.
После завершения регулировок проверьте, что расстояние от педали сцепления до пола при нажатой педали соответствует требуемому значению.
Свободный ход педали сцепления (В): 6–13 мм
Если невозможно отрегулировать высоту установки и свободный ход педали сцепления, возможно в гидравлической системе привода сцепления имеется воздух или неисправен главный цилиндр сцепления.
В этом случае удалите воздух или разберите и проверьте главный цилиндр сцепления.
Поиск и устранение неисправностей сцепления
Неисправность
- Вероятная причина
Метод устранения
Пробуксовка сцепления (Автомобиль не разгоняется при увеличении частоты вращения коленчатого вала двигателя; недостаточная скорость автомобиля; недостаточная мощность на подъемах)
- Недостаточный зазор педали сцепления
Отрегулируйте зазор педали сцепления
- Засорение гидравлического привода сцепления
Очистите или замените детали
- Чрезмерный износ диска сцепления
Замените диск сцепления
- Заклинивание диска на шлицах первичного вала или масло на фрикционных накладках
Замените диск сцепления
- Поврежден нажимной диск или маховик
Замените нажимной диск или маховик
- Ослаблена или сломана диафрагменная пружина
Замените нажимной диск
Затруднено переключение передач (шум шестерен при переключении передач)
- Чрезмерный зазор педали сцепления
Отрегулируйте зазор педали сцепления
- Утечка жидкости из гидравлического привода сцепления
Определите место утечки и устраните его
- Износ или коррозия диска сцепления
Замените диск сцепления
- Чрезмерное искажение диска сцепления
Замените диск сцепления
Шум сцепления (Когда сцепление не используется)
- Недостаточный зазор педали сцепления
Отрегулируйте зазор педали сцепления
- Чрезмерный износ диска сцепления
Замените диск сцепления
Появление шума после разъединения сцепления
- Износ или повреждение подшипника выключения сцепления
Замените подшипник выключения сцепления
Появление шума при разъединении сцепления
- Отсутствие смазки на поверхности опорной втулки
Смажьте поверхность опорной втулки
- Ненадлежащим образом установлены подшипник выключения сцепления
Отремонтируйте
Появление шума при движении автомобиля с частично включенным сцеплением
- Повреждена направляющая втулка
Замените направляющую втулку
Педаль сцепления нажимается с трудом
- - Недостаточно смазки педали сцепления
- - Недостаточно смазки на шлицах диска сцепления
- - Недостаточно смазки на рычаге вала выключения сцепления
- - Недостаточно смазки на передней крышке подшипникового узла
Отремонтируйте
Передачи включаются с трудом или не включаются совсем
- Недостаточный зазор педали сцепления
Отрегулируйте зазор педали сцепления
- Неисправен цилиндр выключения сцепления
Отремонтируйте или замените
- Чрезмерное биение диска сцепления
Отремонтируйте или замените
- Загрязнены или поржавели шлицы первичного вала коробки передач
Отремонтируйте
- Неисправен нажимной диск сцепления
Замените нажимной диск сцепления
Пробуксовка сцепления
- Недостаточный зазор педали сцепления
Отрегулируйте зазор педали сцепления
- Засорение гидравлического привода сцепления
Очистите или замените детали
- Износ диска сцепления
Замените диск сцепления
- Неисправен нажимной диск сцепления
Замените нажимной диск сцепления
- Нарушено крепление вилки выключения сцепления
Отремонтируйте
Вибрация сцепления
- Диск сцепления деформирован, изношен или на него попало масло
Проверьте диск сцепления
- Неисправен нажимной диск сцепления
Замените нажимной диск сцепления
- Повреждена или сломана диафрагменная пружина
Замените нажимной диск
- Повреждена демпфирующая пружина диска сцепления
Замените диск сцепления
- Ослаблено крепление подмоторной рамы
Отремонтируйте
Шум сцепления
- Повреждена втулка педали сцепления
Замените втулку педали сцепления
- Ослаблено крепление в кожухе сцепления
Отремонтируйте
- Изношен или загрязнен подшипник выключения сцепления
Замените подшипник выключения сцепления
- Нарушено крепление вилки выключения сцепления
Отремонтируйте
