Снятие и установка главного цилиндра тормозов Mazda 3
Не допускайте попадания тормозной жидкости на окрашенные поверхности.
При попадании тормозной жидкости на окрашенную поверхность смойте ее немедленно

Слейте тормозную жидкость.
Отсоедините разъем датчика уровня тормозной жидкости.
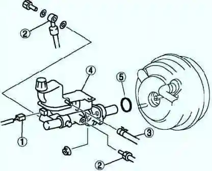
Отсоедините тормозную магастраль, отсоедините тормозные трубки от главного тормозного цилиндра.

Отсоедините шланг от бачка с тормозной жидкостью, нажимая в точке, обозначенной на рисунке стрелкой (рис. 2).
Отверните две гайки крепления, снимите штуцер, главный тормозной цилиндр и прокладку.
Установка
Всегда устанавливайте прокладку толкателя усилителя тормозов перед поверочными измерениями или регулировками.

Установите специальное приспособление на усилитель тормозов, как показано на рисунке 3, и затяните номинальным усилием затяжки. Момент затяжки: 9,8–16,0 Нм.

Используя вакуумный манометр, создайте в усилителе тормозов вакуум значением, равным 66,7 кПа (рис. 4).

Используя штангенциркуль, измерьте расстояние L, как показано на рисунке 5.
Стандартная длина: 22,7 мм.

Если размер L не соответствует норме, как показано, снимите специальное приспособление (49 E043 001) и специальным приспособлением (49 B043 004) отрегулируйте длину толкателя.
Примените специальное приспособление (E043 003A) для предотвращения вращения толкателя (рис. 6).
Снимите специальные приспособления, замените специальное приспособление (49 E043 001) и снова измерьте расстояние L.

Установите главный цилиндр на усилитель тормозов (рис. 7).
Если после установки главного цилиндра, воздух не выходит должным образом из трубок тормозной системы даже после процедуры его удаления, возможно неполное растормаживание колес или другой дефект.
Снимите главный цилиндр и повторно установите его должным образом.
Проверка датчика уровня жидкости
Отсоедините отрицательный провод аккумуляторной батареи.
Отсоедините разъем датчика.

Проверьте непрерывность цепи между выводами датчика уровня жидкости (рис. 8).
Если показания не соответствует норме, замените датчик уровня жидкости.
Подробно
Подготавливаем автомобиль для выполнения задания
Отсоединяем от бачка главного тормозного цилиндра колодку жгута датчика недостаточного уровня тормозной жидкости
На автомобилях с механической коробкой передач отсоединяем шланг главного цилиндра выключения сцепления
Для этого нажимаем фиксатор на наконечнике шланга и стягиваем шланг со штуцера бачка
Специальным ключом на 10 откручиваем штуцеры тормозных трубок от главного тормозного цилиндра
Аккуратно отводим трубки в сторону от цилиндра, сильно не изгибая их
Торцовым ключом на 13 откручиваем две гайки крепления главного цилиндра к корпусу вакуумного усилителя
Снимаем главный тормозной цилиндр в сборе с бачком
Открываем крышку бачка и сливаем оставшуюся тормозную жидкость
Ключом Torx T25 выкручиваем винт крепления бачка к корпусу главного тормозного цилиндра и отсоединяем бачок
При необходимости снимаем с главного тормозного цилиндра уплотнительное кольцо. При сборке его необходимо заменить новым
Установку главного тормозного цилиндра производим в обратной последовательности
Перед установкой бачка на новый тормозной цилиндр смазываем штуцеры бачка чистой тормозной жидкостью
Заполняем бачок свежей тормозной жидкостью, и прокачиваем гидравлический привод тормозов
Проверяем отсутствие утечек жидкости в местах подсоединения тормозных трубок к главному тормозному цилиндру